Biznes
Holati: Yangi
Tavsif
Тензодатчик KELI SQB -A5t
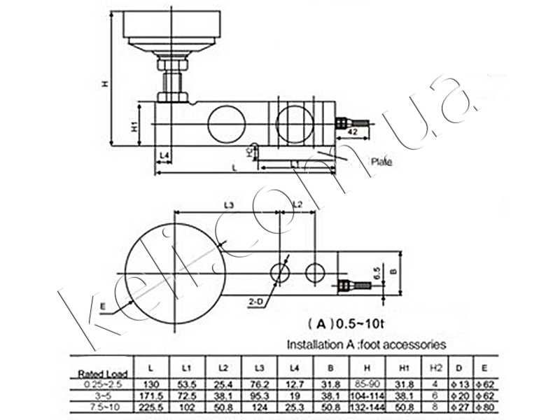
Тензодатчик балка на изгиб или сдвиг используются в системах дозирования, платформенных весах средней грузоподъемности, бункерах, напольных системах взвешивания, включая электронные весы для взвешивания животных.
Электронные весы наиболее часто комплектуются тензорезисторными датчиками веса (тензодатчик). В зависимости от типа весов и условий эксплуатации для измерения усилия передаваемого грузоприемной платформой на датчик веса, выбирается соответствующий тип тензодатчика. Существует несколько основных типов тензодатчиков в зависимости от вида упругого элемента и прилагаемого усилия деформации. Рассмотрим тензодатчик – балка на изгиб/сдвиг.
Тензодатчик – балка на сдвиг наиболее распространённый тип тензодатчика широко применяется в конструкциях платформенных и бункерных весов. Датчик фиксируется на грузоприемном устройстве болтовым соединением и опирается на перекрытие (пол) регулируемой по высоте опорной ножкой. Изменяя высоту опорной ножки, можно нивелировать разницу по уровню основания, на которое устанавливаются весы.
Применение: Платформенные весы, смесители.
Технические характеристики
Номинальная нагрузка (Еmax) 0.25,0.3,0.5,0.75,1,
1.5,2,2.5,3,5,7.5,10 т.
Номинальная чувствительность (РКП) ±0,003мВ/В(0,5-10т); 2±0,002мВ/В(0,25-0.Зт)
Класс точностиС3 (OIML R60 C1-C5)
Баланс ноляь ±1%
Температурное отклонение чувствительности ±0,02%/10°С
Температурное отклонение ноля ±0,02%/10°С
Входное сопротивление 400±10Ω
Выходное сопротивление 352±3Ω
Сопротивление изоляции >5000МΩ
Предельно допустимая нагрузка 150% Еmax
Разрушающая нагрузка 1800 Еmax
Рекомендуемое напряжение питания 10...12В
Максимальное напряжение питания 15В
Класс защиты по ГОСТ 14254 iР67(0,25-0,75Т);IР68(1-10Т)
Материал корпуса: конструкционная сталь -A / нержавеющая сталь - SS
Кабель: Длина: Зм(0,25-2,5т),4,2м(3-5т),5м(7,5-10т); Диаметр: 5мм(лег.сталь 0.25-5т,нерж.сталь 0.25-0.Зт];6мм(лег.сталь7.5-10т, нерж.сталь 0.5-10т)
Схема подключения
4-х проводная схема:
Питание (+) Красный; Питание (-) Черный; Сигнал (+) Зеленый; Сигнал (-) Белый
6-ти проводная схема:
Питание (+) Синий; Питание (-) Черный; Сигнал (+) Белый; Сигнал (-) Красный; Сенсор (+) Зеленый; Сенсор (-) Серый
Тензодатчик балка на изгиб или сдвиг используются в системах дозирования, платформенных весах средней грузоподъемности, бункерах, напольных системах взвешивания, включая электронные весы для взвешивания животных.
Электронные весы наиболее часто комплектуются тензорезисторными датчиками веса (тензодатчик). В зависимости от типа весов и условий эксплуатации для измерения усилия передаваемого грузоприемной платформой на датчик веса, выбирается соответствующий тип тензодатчика. Существует несколько основных типов тензодатчиков в зависимости от вида упругого элемента и прилагаемого усилия деформации. Рассмотрим тензодатчик – балка на изгиб/сдвиг.
Тензодатчик – балка на сдвиг наиболее распространённый тип тензодатчика широко применяется в конструкциях платформенных и бункерных весов. Датчик фиксируется на грузоприемном устройстве болтовым соединением и опирается на перекрытие (пол) регулируемой по высоте опорной ножкой. Изменяя высоту опорной ножки, можно нивелировать разницу по уровню основания, на которое устанавливаются весы.
Применение: Платформенные весы, смесители.
Технические характеристики
Номинальная нагрузка (Еmax) 0.25,0.3,0.5,0.75,1,
1.5,2,2.5,3,5,7.5,10 т.
Номинальная чувствительность (РКП) ±0,003мВ/В(0,5-10т); 2±0,002мВ/В(0,25-0.Зт)
Класс точностиС3 (OIML R60 C1-C5)
Баланс ноляь ±1%
Температурное отклонение чувствительности ±0,02%/10°С
Температурное отклонение ноля ±0,02%/10°С
Входное сопротивление 400±10Ω
Выходное сопротивление 352±3Ω
Сопротивление изоляции >5000МΩ
Предельно допустимая нагрузка 150% Еmax
Разрушающая нагрузка 1800 Еmax
Рекомендуемое напряжение питания 10...12В
Максимальное напряжение питания 15В
Класс защиты по ГОСТ 14254 iР67(0,25-0,75Т);IР68(1-10Т)
Материал корпуса: конструкционная сталь -A / нержавеющая сталь - SS
Кабель: Длина: Зм(0,25-2,5т),4,2м(3-5т),5м(7,5-10т); Диаметр: 5мм(лег.сталь 0.25-5т,нерж.сталь 0.25-0.Зт];6мм(лег.сталь7.5-10т, нерж.сталь 0.5-10т)
Схема подключения
4-х проводная схема:
Питание (+) Красный; Питание (-) Черный; Сигнал (+) Зеленый; Сигнал (-) Белый
6-ти проводная схема:
Питание (+) Синий; Питание (-) Черный; Сигнал (+) Белый; Сигнал (-) Красный; Сенсор (+) Зеленый; Сенсор (-) Серый
ID: 46147138
Sotuvchiga murojaat qilish
xxx xxx xxx

