Asosiy kontentga oʻtish
Chat
  • O'Z
  • РУ

Bildirishnoma

E‘lon berish
Профессиональная установка солнечных панелей.
Профессиональная установка солнечных панелей.
Профессиональная установка солнечных панелей.
Профессиональная установка солнечных панелей.
Reklama qilishKoʻtarish

Biznes

Tavsif

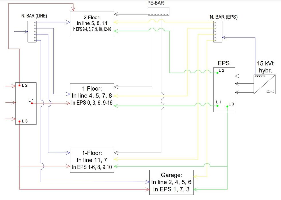
Профессиональное и грамотное установка фотоэлектрической станции любой сложности от 100 кВт. +проектирования к нему. Все услуги под ключь! ЕТелеграмм: Prct1111сть возможность корректно настроит Ваш инвертор по принятый вами режим исползования системы Фотоэлектростанцию.
ID: 57018223

Sotuvchiga murojaat qilish

Olim

OLXda iyun, 2023 beri

Oxirgi marta bugun 08:58 da bo'lgan

xxx xxx xxx

Joylashtirildi Bugunda 08:58

Профессиональная установка солнечных панелей.

Foydalanuvchi

Joylashuv

Телефонингиз учун бепул илова