Asosiy kontentga oʻtish
Chat
  • O'Z
  • РУ

Bildirishnoma

E‘lon berish
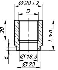
Продается Бобышка БП01-М20х1,5-50 ст.20 КИПиА
Продается Бобышка БП01-М20х1,5-50 ст.20 КИПиА
Продается Бобышка БП01-М20х1,5-50 ст.20 КИПиА
Продается Бобышка БП01-М20х1,5-50 ст.20 КИПиА
Reklama qilishKoʻtarish

Jismoniy shaxs

Holati: Yangi

Tavsif

Продается Бобышка БП01-М20х1,5-50 ст.20 в наличии 30 штук имеется
ID: 61053020

Sotuvchiga murojaat qilish

Улугбек

OLXda yanvar, 2019 beri

So'nggi faollik 02-iyul, 2025

xxx xxx xxx

Joylashtirildi 14/11/2025

Продается Бобышка БП01-М20х1,5-50 ст.20 КИПиА

120 000 so’m

Foydalanuvchi

Joylashuv

Телефонингиз учун бепул илова