Asosiy kontentga oʻtish
Chat
  • O'Z
  • РУ

Bildirishnoma

E‘lon berish
Двигатель BDLC 48V 500W НОВЫЙ
Двигатель BDLC 48V 500W НОВЫЙ
Двигатель BDLC 48V 500W НОВЫЙ
Двигатель BDLC 48V 500W НОВЫЙ
Двигатель BDLC 48V 500W НОВЫЙ
Двигатель BDLC 48V 500W НОВЫЙ
Двигатель BDLC 48V 500W НОВЫЙ
Двигатель BDLC 48V 500W НОВЫЙ
Reklama qilishKoʻtarish

Jismoniy shaxs

Holati: Yangi

Tavsif

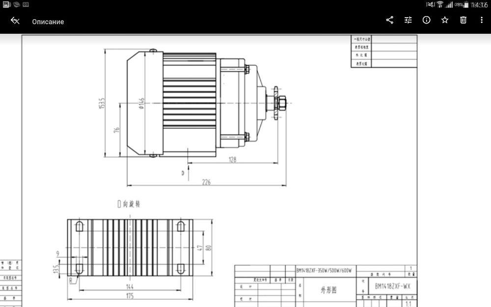
Двигатель редукторный для велорикши велосипедов для электомобилей в комплекте есть контроллер ручка управления оборотами ,обмотка медная
замок.Задняя эвездочка.
Цепь состояние новый тел+998934930723, +940788189
ID: 35344989

Sotuvchiga murojaat qilish

RR

OLXda mart, 2021 beri

So'nggi faollik 20-dekabr, 2025

xxx xxx xxx

Joylashtirildi 02/12/2025

Двигатель BDLC 48V 500W НОВЫЙ

250 у.е.

Foydalanuvchi

Joylashuv

Телефонингиз учун бепул илова